产品介绍 (大发彩票注册)
1.碳化铬大发彩票官方网站钢板主要化学成分:碳4-5%,铬25-40%。
2.微观硬度1200-1750HV (碳化铬硬质颗粒为六角柱形,颗粒大,数量多,分布均匀)基板与大发彩票官方网站层为冶金结合,抗拉强度最高为350MPa。
3.稀释率:1mm左右,大发彩票官方网站层表面无气孔,丝状应力缝。大发彩票官方网站层的致密度较高,硬度梯度小,基板与大发彩票官方网站层的结合部硬度为700HV。15+15mm的最小内弯直径为600mm。
4.整板平整度±2mm/1.5m。工作温度:最高600℃ 厚度误差:±10%
5.标准规格:3mm+3mm至15mm+15mm。 尺寸:3000*1400mm,最长7000mm

图(1)碳化铬大发彩票官方网站钢板用于溜槽
碳化铬大发彩票官方网站钢板
材质: 低碳钢基材+碳化铬大发彩票官方网站合金层
常用规格: 5+3,6+4,6+6,8+3,8+4,8+5,8+6,8+8,10+6,10+10(也可以根据用户要求制作
板幅规格: 1500X3000mm(也可以根据用户要求制作)
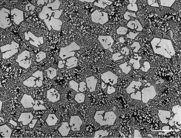
大发彩票官方网站层合金成分: C:5.0%,Cr:27―30%,马氏体基体+大量Cr7C3型碳化物达60%以上


图(2)碳化铬晶相分图
硬度: 合金层宏观硬度HRC57―65,碳化物硬度HV1400―1800
大发彩票官方网站性: 是低碳钢的20―25倍,不锈钢、高锰钢的8―12倍,是一般高碳高铬大发彩票官方网站钢板的1.5倍以上
耐高温性: 普通型〈600℃;高温型〈1000℃
耐冲击性: 大发彩票官方网站合金层与基材完全冶金结合,抗强烈冲击,不必担心脱落
可加工性: 可焊接、切割、卷曲、打孔
可连接性:
1.焊接,可以通过基体层钢板的焊接,拼焊成各种结构件或零部件
2.机械连接,采用等离子切割枪在大发彩票官方网站复合钢板上打孔,用螺栓固定在被保护的设备上,方便维修更换。
"大发彩票官网" 更多产品